Poklop ventilový PLYN liatinový

O produkte

Celoliatinový ventilový (prípojkový) poklop PLYN je určený na zakrytie a ochranu plynových prípojok a uzatváracích ventilov v plynárenských sieťach. Používa sa najmä pri rodinných domoch, menších objektoch a prípojkových miestach, kde je potrebné mať rýchly a bezpečný prístup k uzáveru plynu. Masívne liatinové telo so stabilným rámom zaručuje pevné uloženie v teréne a dlhú životnosť. Nápis „PLYN“ na kryte umožňuje jednoznačnú identifikáciu média a odlíšenie od vodárenských prvkov. Poklop chráni ventil pred zasypaním, nečistotami a mechanickým poškodením, pričom zároveň uľahčuje obsluhu pri údržbe, revízii alebo havarijnom zásahu.

Na stiahnutie
Vyžiadať cenovú ponuku
Zdieľať

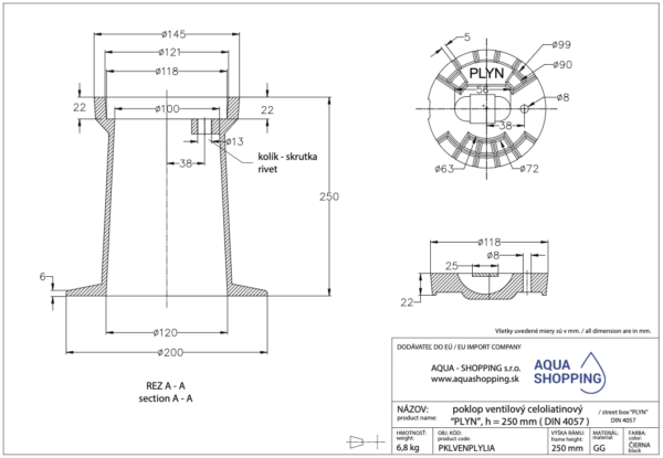
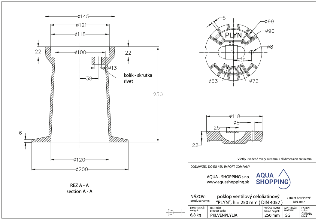
Technický nákres

poklop ventilový PLYN liatinový detail
PDF nebolo nájdené.

Podrobné informácie

Poklop ventilový PLYN liatinový

Ventilový (prípojkový) poklop PLYN sa používa na zakrytie a ochranu uzatváracích ventilov plynových prípojok. Osádza sa v chodníkoch, zelených pásoch alebo pri hranici pozemku, kde je potrebné mať spoľahlivý prístup k uzáveru plynu. Poklop vytvára pevný rám v povrchu a udržiava čistý a bezpečný priestor okolo armatúry. Tým bráni zasypaniu, vnikaniu nečistôt a mechanickému poškodeniu, pričom v prípade údržby, revízie alebo havarijného stavu umožňuje rýchle a bezpečné uzavretie prívodu plynu.

Celoliatinové prevedenie poskytuje vysokú pevnosť, dlhú životnosť a tvarovú stabilitu v asfalte, dlažbe aj štrkovom lôžku. Povrchová ochrana znižuje riziko korózie a zvyšuje odolnosť voči poveternostným podmienkam. Jasný nápis „PLYN“ na kryte uľahčuje orientáciu v teréne a jednoznačne oddeľuje plynové prvky od vodárenských komponentov. Konkrétna výška poklopu sa volí podľa typu prípojkového ventilového setu a skladby povrchu.

Technické parametre
trieda nosnosti bez určenia
označenie PLYN
výška 250 mm
materiál šedá liatina
hmotnosť 6,8 kg
Technický nákres
poklop ventilový PLYN liatinový detail

Dostupné varianty

No variations found for this product.

No variations found for this product.

Užitočné odkazy

Poklop AQUA - SHOPPING
Pomoc a podpora

Radi poradíme

Potrebujete informácie ohľadom našich produktov alebo spolupráce? Zanechajte nám kontaktné údaje a my sa Vám ozveme.




    Táto stránka je chránená pomocou reCAPTCHA a platia pre ňu Zásady ochrany osobných údajov a Zmluvné podmienky spoločnosti Google.